シングルライン単方向ESD保護ダイオード

Figure 1: DFN1006-2LW パッケージと回路図

TESDA28VU18P1Q1は、電子システム内の電源インターフェース、制御ライン、または低速データラインを保護するために設計された単方向ESD保護ダイオードです。静電気放電 (ESD) や雷による過電圧損傷から、電源および制御ラインに接続されたデリケートな電子部品を保護するよう特別に設計されています。

本製品は、超小型DFN1006-2LW表面実装パッケージ (SMD) に収められたESD保護デバイスで、静電気放電 (ESD) やその他の過渡現象による損傷から、自動車の車載ネットワークの単一バスラインを保護するように設計されています。

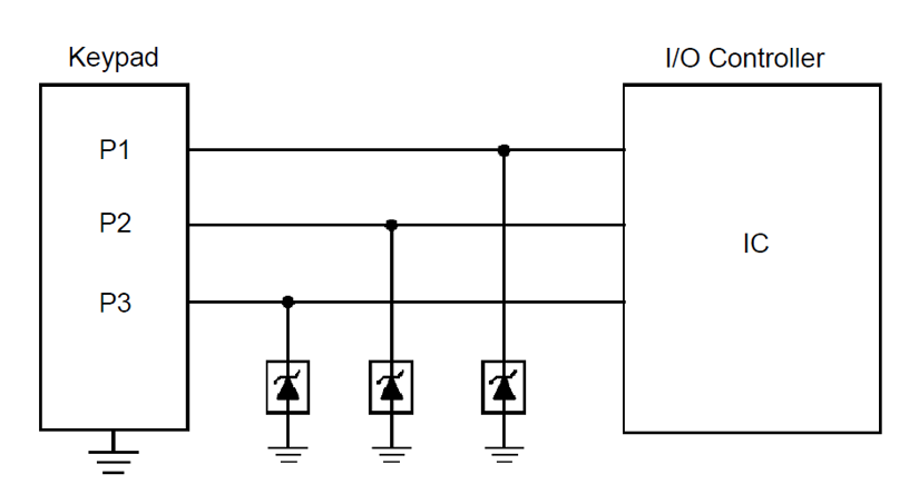
図2: TESDA28VU18P1Q1の代表的なアプリケーション

主な特長

  • AEC-Q101準拠
  • ウェッタブルフランク
  • ESD保護性能:
    IEC 61000-4-2 (ESD) ±15kV (気中)、±15kV (接触)
    IEC 61000-4-5 (雷) 1.7A (8/20us)

アプリケーション

  • 車載用低速データライン
  • ポータブル計装機器
  • 汎用I/O
  • モバイルおよびハンドヘルド機器

製品ポートフォリオ

Part NumberPackageVWM (V)CJ (pF) Max.ESD robustness (IEC61000-4-2) (kV)IPPM at tp = 8/20μs (A)
TESDA28VU18P1Q1DFN1006-2LW2818.6151.7
Facebook
LinkedIn
Email
Scroll to Top

Share Your Feedback

Feedback