Introduction
The electric vehicle (EV) market is experiencing rapid growth, providing a more environmentally friendly mode of transportation. While traditional vehicles require gasoline from gas stations, EVs simply need to be plugged into a charging station to recharge their batteries.
The on-board charger (OBC) is a critical component installed in EVs. It converts external AC power from the charging station into DC power (output voltage varies based on the EV’s battery specifications) to charge the battery. If the charging station provides DC power, this conversion step is bypassed, and the DC power is directly connected to the vehicle battery.
On-Board Charger (OBC)
The OBC is capable of regulating the charging current and voltage for EV charging. It consists of a power factor correction (PFC) circuit, a DC-DC converter, an auxiliary power supply, and a control/drive circuit. To ensure vehicle safety and reliability, its components must withstand overload, transient voltage, and high temperature conditions.
The OBC provides high voltage to the lithium battery by regulating single-phase AC 110/220V or three-phase AC 400V through PFC and DC/DC. Depending on the charging power, the range is from single-phase 3.6kW to three-phase 22kW.
Taiwan Semiconductor provides the OBC with power components such as a bridge rectifier, ultra-fast recovery rectifier, Schottky diode, and MOSFET.
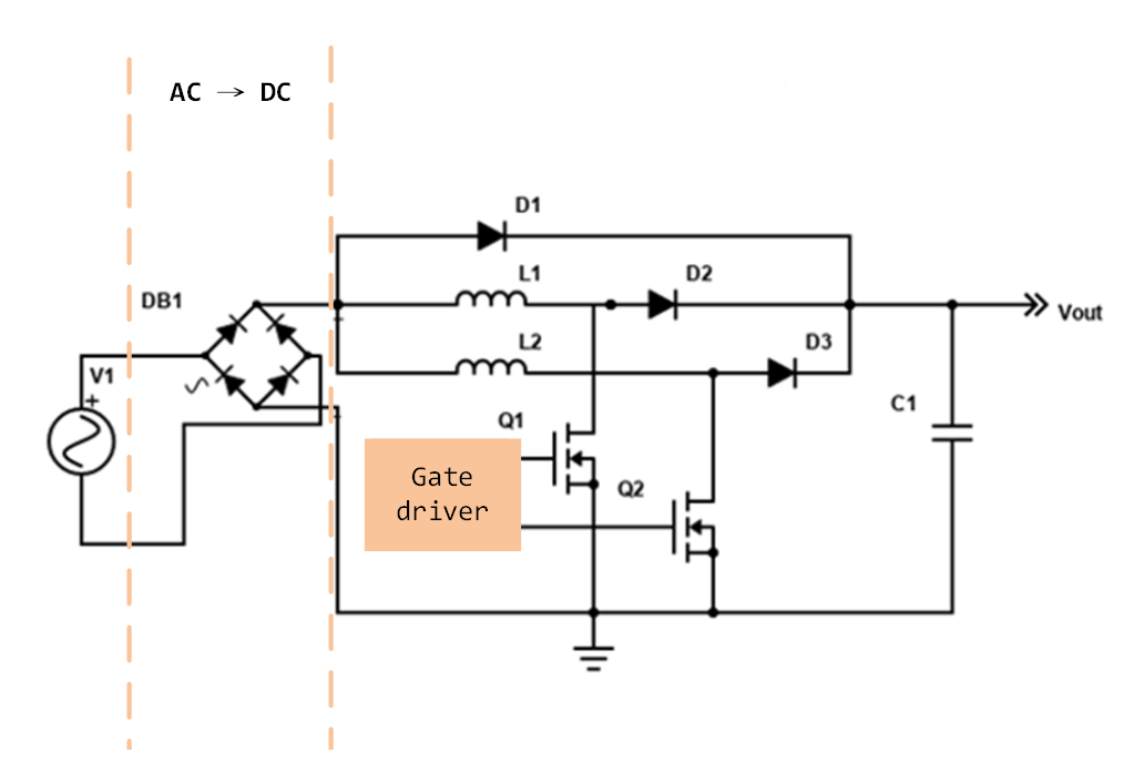
AC/DC PFC (Interleaved Power Factor Corrector) PFC is a circuit that improves the power factor at the power supply end. When the phase of the input voltage and current is inconsistent, power is lost during power transmission. PFC acts as a voltage-current regulator, ensuring that the input AC current and input AC voltage reach the same phase, thus using energy more efficiently.
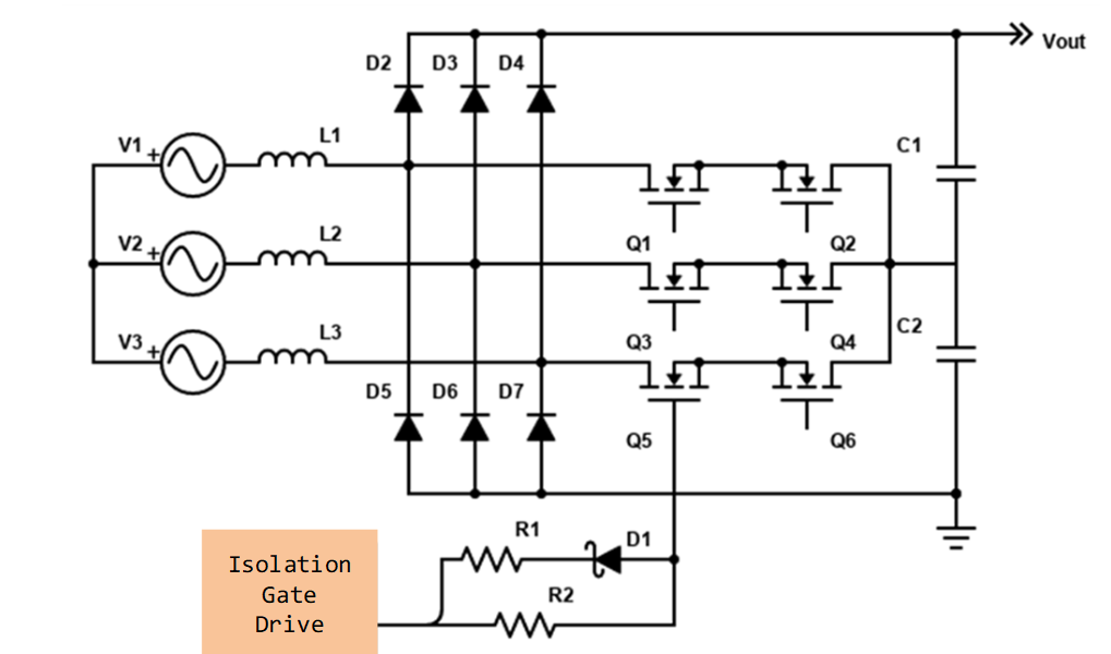
After the adjusted current passes through Q1 and Q2 (MOSFET) in the following figure, it can drive the gate driver to operate.
Isolation Gate Drive The isolation gate driver can be used for high-voltage PFC and DC-DC converters. Its isolation feature supports driving larger drives, providing a safety gate and integrated protection functions. MOSFET, a common switching component, offers the advantage of fast switching speed. When current flows through, the isolation gate driver connects diodes (D1 to D7 in the following figure) to adjust the switching state of the MOSFET (Q1 to Q6). Using MOSFETs as switches can reduce losses and provide isolation to protect low-voltage circuits, ensuring safety and noise immunity.
Silicon Carbide (SiC) Diode/MOSFET In power electronics, a significant portion of the overall power loss comes from switching during the on-off state. Each switching process causes losses, so when selecting components, shorter switching transition times are preferred to minimize losses. General diodes have a larger reverse recovery current, while SiC has the advantages of low reverse recovery current and short reverse recovery time, which can minimize related energy losses and improve power efficiency. SiC MOSFET and SiC Schottky diode are switching devices that provide a better solution for on-board chargers.
SiC material has high breakdown voltage characteristics
Integrated OBC+DC/DC OBC integrated with DC/DC is called an integrated DC power module and bidirectional on-board charger. The DC/DC can step down the high input voltage to the vehicle battery voltage. Integrated OBC+DC/DC shares power switches and control units, reducing the number of switches, magnetic components, and energy consumption in the power circuit, thereby improving power density, increasing stability, and reducing cost, weight, and size. Through miniaturized battery modules, it helps to reduce the size and weight of electric vehicles and can accommodate higher battery capacities to extend driving range.
Bidirectional On-Board Charger With the growing demand for electric vehicles, automotive components are constantly evolving to improve system efficiency. Traditional unidirectional on-board charging (grid to battery) has also evolved into bidirectional on-board charging (battery to load/grid), making full use of the space in electric vehicles and reducing weight. Bidirectional OBC can supply power to electronic devices inside and outside the vehicle. For example, when camping outdoors and wanting to watch a movie, you can connect the plug to the OBC as a power source, or even charge your phone and Bluetooth speaker.
Products
Read more articles
- The Role of MOSFETs in Anti-lock Braking Systems (ABS)
- Beyond Braking: Advanced Driver Assistance Systems (ADAS) for a Safer Driving Experience
- Powering the Electric Revolution: The Body Control Module (BCM) in Automotive
- Battery management system (BMS): Protecting and Managing Your Electric Vehicle
- Advanced LED Solutions for Enhanced Vehicle Visibility
- MOSFETs and Diodes: Key Components in Reverse Polarity Protection
- Sensor Fusion for Supplementary Restraint Systems (SRS)


