Automotive lighting plays a crucial role in ensuring road safety. Adequate lighting, especially during nighttime driving, enhances visibility and provides drivers with a clear view of the road.
LEDs (Light Emitting Diodes), which convert electrical energy into light, have become the preferred choice for automotive lighting due to their numerous advantages, including low power consumption, long lifespan, high luminous efficiency, and environmental friendliness. LEDs find extensive applications in various automotive systems, and with the rapid growth of intelligent lighting, they can be broadly categorized into front and rear lighting. Front lighting includes headlights and fog lights, while rear lighting encompasses taillights, brake lights, reverse lights, and turn signals.
Headlights/Fog Lights
Protection Device: During the installation or repair of a vehicle, reverse connection of the car’s power supply can easily damage the vehicle’s controller due to reverse voltage. To address this issue, automotive regulations have introduced requirements for reverse polarity protection. This protection circuit primarily consists of diodes, TVS diodes, and MOSFETs.
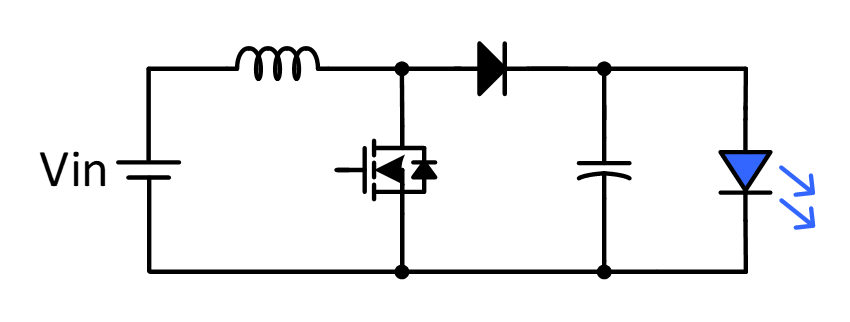
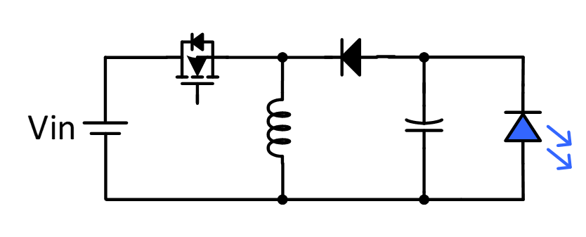
DC/DC Converter: Headlights and fog lights, being high-power automotive lighting components, often utilize DC/DC converters to improve system conversion efficiency. Three common types of DC/DC converters used in automotive lighting are buck converters, boost converters, and buck-boost converters. The basic structure diagram is as follows:
By rapidly switching the energy storage inductor, MOSFET, and Schottky diode, LED current is supplied. Regarding LED headlights, different automakers and vehicle models employ varying designs for their turning headlights. Traditional LED headlights often adopt a single-stage converter architecture (such as a buck converter), while newer matrix LED headlights tend to utilize a two-stage converter architecture (such as boost + buck).
Taillights, brake lights, turn signals, and interior lights
Linear Driver A linear driver operates similarly to a low-dropout regulator (LDO), primarily providing a constant current to LEDs. While it offers lower efficiency, it is commonly used in low-power LED applications such as taillights, brake lights, turn signals, and interior lighting.
Due to the absence of high-frequency and high-power components, linear drivers do not suffer from electromagnetic interference (EMI) issues, simplifying the control board circuitry. Small-area applications like interior lighting often employ single-channel LED linear drivers, while larger-area lighting such as taillights and turn signals utilize multi-channel LED linear drivers to enable multi-functional applications.
We provide solutions for protection devices, converters, and linear drivers.
Products
Read more articles
- The Role of MOSFETs in Anti-lock Braking Systems (ABS)
- Beyond Braking: Advanced Driver Assistance Systems (ADAS) for a Safer Driving Experience
- Battery management system (BMS): Protecting and Managing Your Electric Vehicle
- Powering the Electric Revolution: The Body Control Module (BCM) in Automotive
- Power Components for On-Board Chargers (OBC): A Comprehensive Overview
- MOSFETs and Diodes: Key Components in Reverse Polarity Protection
- Sensor Fusion for Supplementary Restraint Systems (SRS)


